返回首页
|
设为首页
|
添加收藏
网站首页
关于我们
产品展示
新闻中心
案例展示
人才招聘
在线留言
联系我们
新闻中心
公司动态
行业动态
客服中心
电话:0580-3695369
传真:0580-3696299
邮箱:zsptclx@sina.com
地址:浙江省舟山市普陀区展茅街道普陀经济开发区海创路15号
主页
>
新闻中心
> >
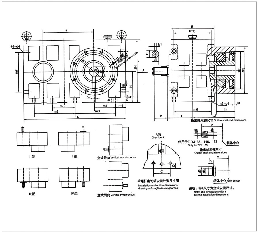
ZLYJ/ZSYJ橡塑机械齿轮箱外形尺寸图
来源:未知
作者:admin
日期:2021-04-28 21:26
上一篇:
ZLYJ/ZSYJ橡塑机械齿轮箱参数表
下一篇:没有了
'); // --> 舟山市普陀齿轮箱集团有限公司